Chapter 15: Diffusion and Reaction in Porous Catalysts

Professional Reference Shelf

Example CD12-5: Calculation of Resistances

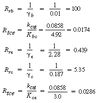
    Calculate each of the resistances to reaction and transfer and the relationship between C Ab , C Ac , and C Ae for the ammonia oxidation reaction described in Example CD12-2. Assume that .  
       
    Solution  
   

image 12eq195.gif

 
       
    To relate C Ae and C Ac we rearrange Equation (CD12-67) for a first-order reaction as  
       
   

image 12eq196.gif

 
   

 

 

Electrical
analog

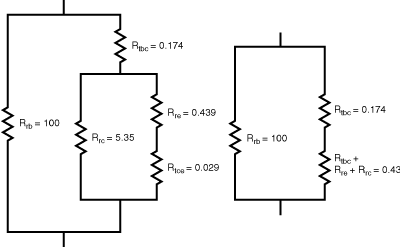
  The analog electrical resistance for the system is shown in Figure CD12-11 along with the corresponding resistances for this reaction. As with its electrical analog, the reaction will pursue the path of least resistance, which in this case is along the right-hand-side branch of Figure CD12-11. If the major resistance in this side, the resistance to reaction in the emulsion R re , could be reduced, a greater conversion could be achieved for a specific catalyst weight. To reduce R re one needs to look for ways of increasinge .  
       
 

image 12eq197.gif


(CD12-80)
       
   

Figure CD12-11
Electrical Analog

 
       
    Examination of Equation (CD12-80) shows that decreasing the bubble fractionand the minimum fluidization velocity would increasee and hence the conversion. The minimum fluidization velocity could be decreased by decreasing the particle size. We will investigate how the various parameters will affect the conversion for different limiting situations.